Electrical Systems #1
Electrical Systems #1
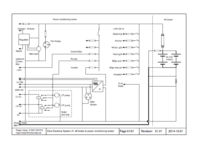
Etna uses a 12V DC / 230V AC 50Hz combined electrical power system.
System #1 provides main-switched and fused 12V DC to propulsion loads (inverter, boiler pumps and control box); and individually switched and fused ancilliary loads (lights, bilge pump).
An alternator and regulator provide power and charging when steaming above 150 rpm.
The boiler water feed and transfer pumps are mounted in the port side boiler compartment.